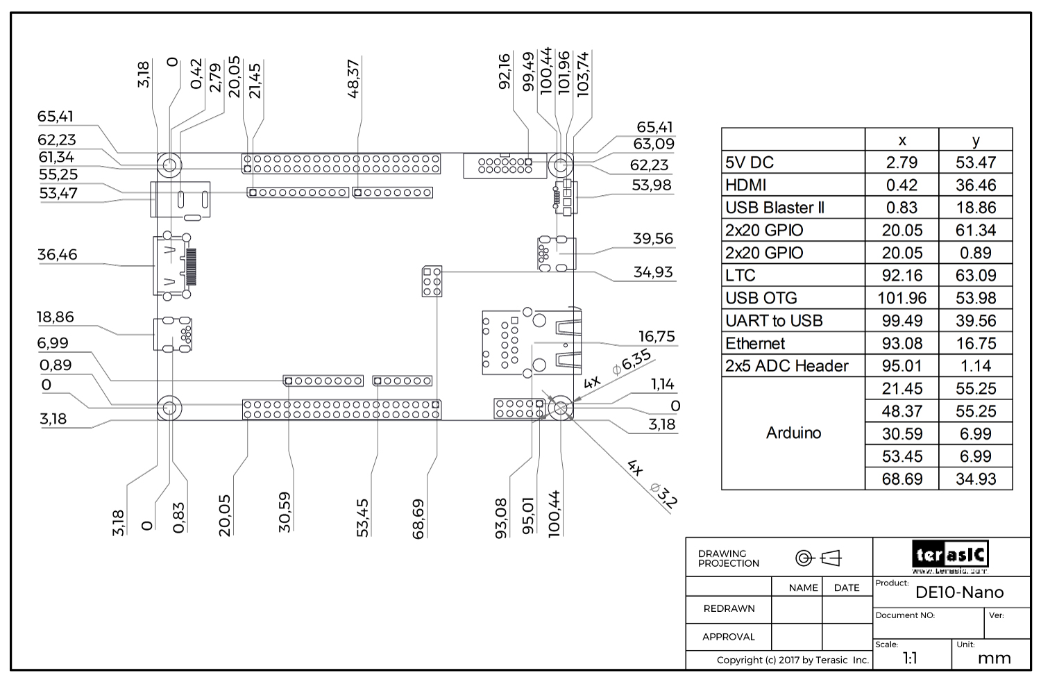
- Sizeļ¼68.6x107mm
DE10-Nano Board Mechanical Layout
| Board Feature | x-axis (mm) | y-axis (mm) |
|---|---|---|
| 5V DC | 2.79 | 53.47 |
| HDMI | 0.42 | 36.46 |
| USB Blaster II | 0.83 | 18.86 |
| 2x20 GPIO | 20.05 | 61.34 |
| 2x20 GPIO | 20.05 | 0.89 |
| LTC | 92.16 | 63.09 |
| USB OTG | 101.96 | 53.98 |
| UART to USB | 99.49 | 39.56 |
| Ethernet | 93.08 | 16.75 |
| 2x5 ADC Header | 95.01 | 1.14 |
| Arduino* Header | 21.45 | 55.25 |
| Arduino* Header | 48.37 | 55.25 |
| Arduino* Header | 30.59 | 6.99 |
| Arduino* Header | 53.45 | 6.99 |
| Arduino* Header | 68.69 | 34.93 |


